This post is part of a series.

A control module for a green, yellow and red stack light, and signalling horn. Uses an AVR ATtiny2313 microcontroller.

Table of contents

Details

This is the rack box alarm handling unit. It controls the stack light, strobes and horn. Six different signals can be displayed, depending on the alarm situation. If mute is active; no signals is given. The power transistors for the stack light used to be located inside the module, hence the heat-sink. They have been moved to a separate power transistor unit.

Video

Signals

Situation Green Yellow Red Strobe Horn
Flashing 0.1
Rack temp Steady Flashing Yellow 1 s
SIOS alarm Flashing Yellow 1 s
Serial offline Flashing Steady Yellow 1 s ⭐
Module offline Steady Flashing Red 1 s ⭐
Supply error Flashing Red 1 s ⭐

⭐ 0.1 s when muted

I/O

Inputs

  1. Signal 1
  2. Signal 2
  3. Signal 3
  4. Signal 4
  5. Signal 5
  6. Signal 6
  7. Mute

Outputs

  1. Stack light green
  2. Stack light yellow
  3. Stack light red
  4. Strobe yellow
  5. Strobe red
  6. Horn
  7. Life-signal (to Module stability monitoring unit 2)
  8. Life-light

D-Sub 25-pin

  1. +5V
  2. 0V
  3. Strobe yellow
  4. Strobe red
  5. Horn
  6. Life-signal
  7. Signal 1
  8. Signal 2
  9. Signal 3
  10. Signal 4
  11. Signal 5
  12. Signal 6
  13. Mute signal
  14. Stack light green
  15. Stack light yellow
  16. Stack light red

Source code

Photos

Cutouts in plastic enclosure
Inside module
Testing the module
Module complete
Module installed in the Rack box project
External power transistors for the stack lights
Stack lights, and a bottle of Ballantine’s
Inside the module
Inside the module

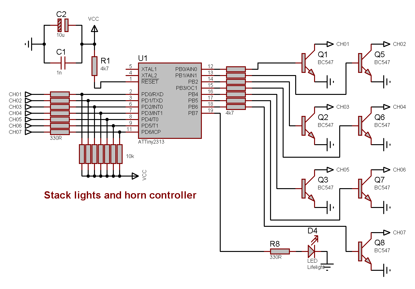
Schematic drawing

Schematics for the stack lights controller

Parts used

  • 1 × AVR ATtiny2313-20PU, DIL-20, 20 MHz, 18 I/Os
  • 1 × Capacitor, aluminium electrolytic, 10 µF, 25V
  • 2 × Capacitor, ceramic, 22 pF, 100V
  • 1 × Capacitor, ceramic, 1 nF, 100V
  • 1 × D-sub soldering cups, 25 pin male
  • 1 × DIL socket, 20-pin, 7.62mm
  • 1 × Enclosure, plastic (1591 FL), 120x65x40mm, flange
  • 1 × Fuse 5x20 mm, 400 mA, fast-acting
  • 1 × Fuse holder, open, PCB, 5x20mm
  • 1 × Fuse holder, open, PCB, Protective cover
  • 1 × Heatsink, 6K/W @ 10W, 37.5mm 49g
  • 1 × LED 5mm coloured clear, Green, 2.1V, 20mA, 30mcd, 10°
  • 1 × LED 5mm, Green, 2.0V, 10mA
  • 1 × LED 5mm, Orange, 2.0V, 20mA
  • 1 × LED 5mm, Red, 2.0V, 20mA
  • 1 × LED holder 5mm, RTC51, black plastic
  • 96 cm2 PCB, stripboard, 100x160mm, 160cm2
  • 1 × Quartz crystal oscillator, 4 MHz
  • 11 × Resistor, carbon film, 0.25W, 330 Ω, 5%
  • 8 × Resistor, carbon film, 0.25W, 4.7 kΩ, 5%
  • 7 × Resistor, carbon film, 0.25W, 10 kΩ, 5%
  • 7 × Transistor, NPN, 100 mA, 45V, 0.5W, BC547B
Post history
  • Post published
    2006-05-16
  • Added video demonstration
    2020-01-23
Rack box project series
All posts in Rack box project series
  1. Parallel port I/O module
  2. Power supply and fuse monitoring module, AVR
  3. Monitored fuse box, 6 channels
  4. Stack lights and horn controller — with AVR
  5. Mute and light controller for the Rack box — AVR module
  6. Monitored fuse box, 4 channels
  7. Module heartbeat monitor, 6 inputs — AVR
  8. Controller for lights and relays — AVR driven
  9. Emergency power off controller — controlled by 555 timers
  10. Fan controller with LCD — AVR powered
  11. Sound alarm control unit — AVR module
  12. Multiplexer output extender
  13. Multi-purpose AVR module
  14. Electric heater and timer controller — AVR
  15. Module heartbeat monitor, 15 inputs — LCD and AVR
  16. Serial port I/O module with 11 inputs — AVR
  17. Serial port I/O module with 9 in and outputs — AVR
  18. Serial interface for emergency power off — AVR
  19. Status panel for the Rack box project
  20. Intruder alarm system controller — AVR
  21. Serial port I/O module with 15 inputs — AVR
  22. Serial interface module, with analog and digital I/O — AVR
  23. The rack box project — an overview