Portal alarm box unit, my main project on technical college.

Table of contents

Details

My classmate and I made this as our master project when graduating technical college in 2010. It is a portable and modular alarm system — intended for construction sites and new buildings. Theft from construction sites is a problem that can be costly, economical and time-wise.

This system uses mobile broadband for sending notifications and alerts via e-mail and CCTV footage. It contains IR movement, smoke and temperature sensors, but is designed to be flexible with regards to sensor input and configuration.

Everything is controlled with a laptop inside the case, sensor data is interfaced from a serial I/O module using the SIOS protocol syntax.

Components

  • Smoke sensor
  • 2xIR sensors
  • Strobe
  • Siren
  • Web camera with pan and tilt
  • Laptop
  • Pelicase

Modules used

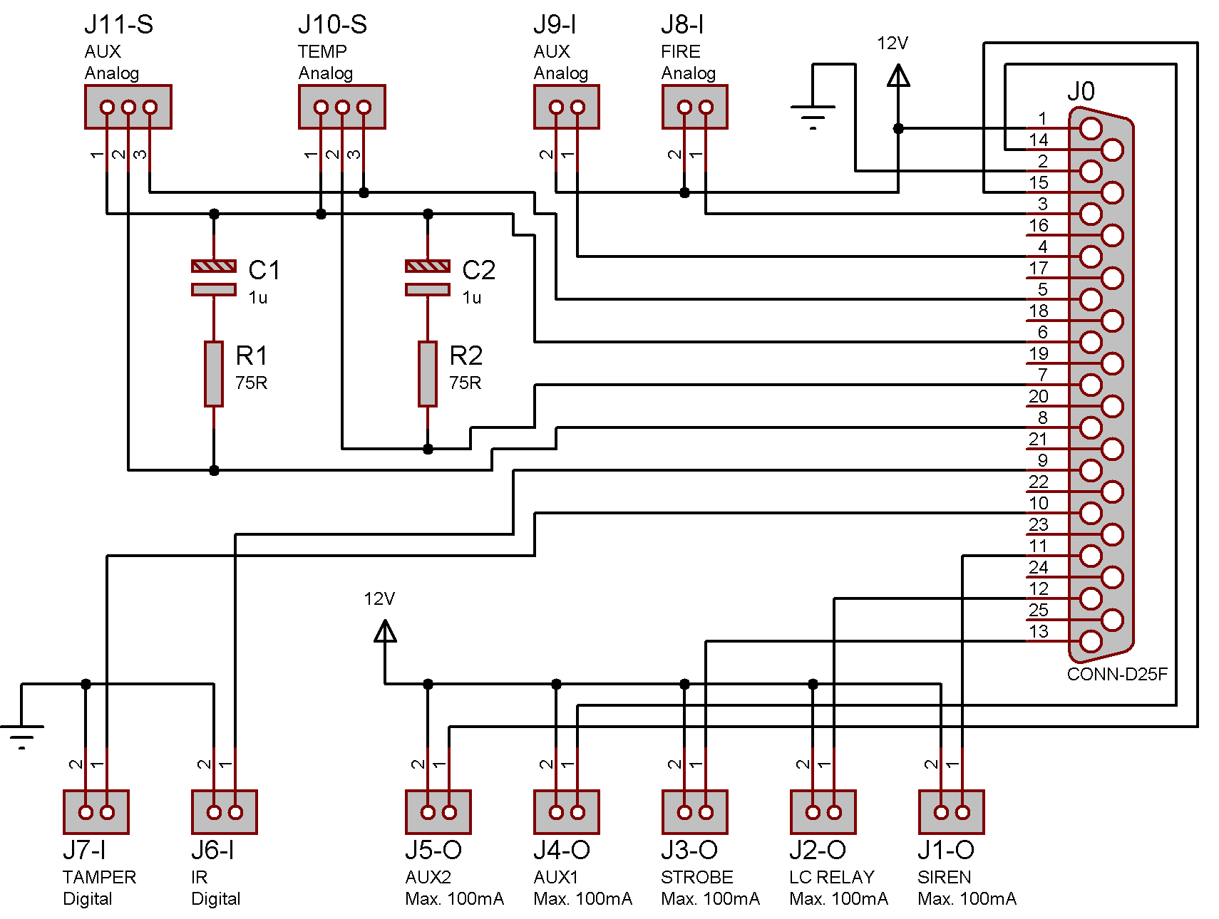
I/O

Inputs

  • 1A Analog value 0-24V
  • 2A Analog value supply voltage
  • 3A Analog value 0-24V
  • 4A Temperature sensor, electronics
  • 5A AUX temperature sensor
  • 6A AUX analog sensor
  • 7D Fire alarm
  • 8D IR movement

Calculations

Voltage

(ADC × 5) × 0.006 ≈ V ± 0.03

Temperature

ADC × 5
------- ≈ °C ± 0.5
  10

Outputs

  • 1D Siren
  • 2D Light control
  • 3D Warning light
  • 4D AUX
  • 5D AUX

D-sub 25-pin

Schematics for D-sub connector

Source code

Photos

Sensor plate and serial IO module
Serial IO module inside metal enclosure
Sensor plate packed inside case
External connectors on case
Inside case, temperature sensor to the left
Security keypad
Pan and tilt camera on sensor lid
Laptop computer inside case

Screenshots

Main application window
Very high temperature alarm in application
Serial communication log
Control commands for power outlet
Main application settings